
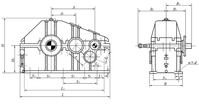
ZLH減速機是兩級圓弧圓柱齒輪減速器,它們主要用于礦山、冶金、水泥、建筑、化工、輕工等各種機械設備的減速傳動。高速軸轉速不超過1500r/min,齒輪圓周速度不大于18m/s,工作環境溫度為-40℃~+40℃,可正反轉運行。

ZLSH減速機憑借其高效可靠的工作性能、細節設計精良、靈活多樣化的選配方案、廣泛的應用領域和優秀的技術和服務,一直是各行各業優選的驅動裝置之一。它的出現改變了傳統減速機市場格局,為用戶帶來了更為高效、可靠和節能的驅動裝置。

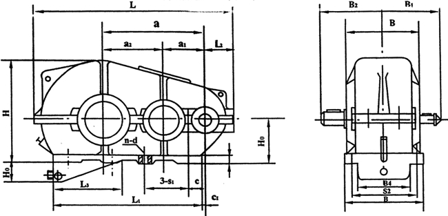
ZLSH減速機是兩級雙圓弧圓柱齒輪減速器,它們主要用于礦山、冶金、水泥、建筑、化工、輕工等各種機械設備的減速傳動。高速軸轉速不超過1500r/min,齒輪圓周速度不大于18m/s,工作環境溫度為-40℃~+40℃,可正反轉運行。

ZSH減速機作為一種高效、可靠的減速裝置,運用廣泛,用于解決生產中的功率瓶頸,提高工業制造的效率。隨著技術的不斷發展和市場的需求,ZSH減速機的應用前景將更加廣闊。

ZS減速機是一種應用廣泛、適應性強、效率高的減速機類型,具備較高的性能和可靠性,并且能夠靈活適應不同的工作環境。在選型和使用過程中需要遵循相應規范,定期保養和維護,才能確保減速機的穩定運行。未來,ZS減速機將繼續發展壯大,為機械設備的高效運轉保駕護航。

ZSSH減速機采用精密制造技術和材料,經高溫熱處理,具有非常高的韌性和使用壽命。該系列產品具有結構緊湊、性能可靠、設計新穎、能耗低、噪音小等特點,為工業生產提供了提高效率和降低成本的保障。

ZS減速機是三級漸開線圓柱齒輪減速器,是按國家專業標準生產的外嚙合漸開線斜齒圓柱齒輪減速器。ZS減速機的齒輪采用高強度低碳合金鋼經滲碳淬火而成,齒面硬度達HRC58-62,齒輪均采用數控磨齒工藝,精度高,接觸性好;傳動率高;運轉平穩,噪音低;使用壽命長,承載能力高;易于拆檢,易于安裝。 ZS減速機它們主要用于礦山、冶金、水泥、建筑、化工、輕工等各種機械設備的機械傳動,高速軸轉速不超過1500r/

ZSSH減速機它們主要用于礦山、冶金、水泥、建筑、化工、輕工等各種機械設備的機械傳動,高速軸轉速不超過1500r/min,齒輪圓周速度不大于18m/s,工作環境為–40℃~+40℃,可正反轉運行。

ZQH減速機系列裝置擁有一種高速和低速的結構,是現代工業自動化中不可缺少之一的重要機械設備之一。它憑借其卓越的性能表現,已經廣泛應用于機械加工、制造、包裝、食品、制藥及化工等行業領域,其應用價值得到了高度的認可和重視。設計和技術 ZQH減速機具有出色的結構設計和完美的制造工藝,它是優秀的減速機械的代表之一。其設計考慮到了對用戶的便捷性和繁忙的生產工作環境,設備設計簡單,使用方便,安全可靠。 作

ZQH減速機是圓弧圓柱齒輪減速器適用于建材、起重、運輸、冶金、化工和輕工等行業。高速軸轉速不超過1500r/min,齒輪圓周速度不大于12m/s,效率不低于0.94,工作環境為-40℃—+40℃,可正反轉運行。ZQH減速機機型按中心距分為:250、350、400、500、650、750、850、1000共8種。ZQH減速機型號標記示例:ZQH減速機的外形尺寸型號中心距中心高H0最大外形尺寸軸端尺寸

PJ減速機作為一種專業化的機械傳動設備,可以提供可靠的動力傳輸解決方案,它的結構緊湊,運行效率高,且具有良好的耐用性和可靠性。在冶金、重型機械、石油化工等行業中得到廣泛應用,其需要定期維護和保養以延長其壽命和提高效率。

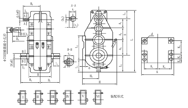
PJ減速機是由ZQ型減速機而研制的。它的工作條件、型式、齒輪參數、外形尺寸和安裝尺寸與ZQ型減速機完全相同,可參照ZQ型減速機有關圖表。其中齒輪軸和齒輪的材料改為合金鋼,大齒輪為調質狀態,齒輪軸和小齒輪為表面淬火狀態,即淬硬-調扭副。 PJ型齒輪減速機具有機械性能好、工作可靠、維修方便過載能力強、耐沖擊、慣性力矩小等特點。適用于起重、運輸、冶金、礦山、建筑、化工、紡織等行業。型號標記:PJ減速機總

ZQD減速機屬于硬齒面減速機,是由電機、變速機構和減速機構三部分組成的一種動力傳遞裝置。它的主要作用就是將電機輸出的高速運動轉換為扭矩大、轉速低的輸出軸,以滿足機器的工作需求。

ZQD減速機是由ZQ型減速機誕生而來的;在ZQ型二級傳動的基礎上,增加一級變成三級減速機,擴大了減速機的傳動比,其工作條件、裝配型式與ZQ型減速機基本相同。ZQD減速機增加的高速級在下方、平底結構,有ZQD400、ZQD500、ZQD650、ZQD850和ZQD1000五個規格。ZQD減速機標記示例:ZQD減速機,名義中心距(即原ZQ型中心距)A=1000mm,公稱傳動比i=200,第3種裝配型式

JZQ減速機以其強悍耐用的性能、廣泛的應用領域、適應不同工作條件、具備出色的安全性和高效節能的表現,成為了工業界備受關注的一款減速器。對于生產廠家和用戶來說,選擇JZQ減速機將會是一個明智而正確的選擇。

JZQ減速機應用范圍及結構概況1、應用范圍及優點: JZQ減速機廣泛應用于各種起重、運輸、礦山機械及其它各種機械中作減速之用。其聯動方式,可用聯軸器直接聯動,也可用三角皮帶撓性聯動。本機通用性和互換性強,維修簡單,效率系數為0.94,具有起動阻力小,運動靈活等優點。2、結構概況及主要零部件: JZQ減速機結構型式為兩級三軸圓柱斜齒水平分割全封式。潤滑油盛于減速機之內部,在主動軸和中間軸上設有擋

PM減速機是漸開線圓柱齒輪減速器。適用于建材、起重、運輸、冶金、化工和輕工等行業。高速軸轉速不超過1500r/min,齒輪圓周速度不大于12m/s,效率不低于0.94,工作環境為-40℃—+40℃,可正反轉運行。

ZSC減速機 是一種高效而可靠的傳動機構,采用齒輪傳動原理,是一種機械減速裝置,能夠降低電動機的轉速并提供巨大的扭矩輸出,配合電動機可以達到不同的功率。而且 ZSC減速機 形狀小巧、噪音小、壽命長、易維護。 還具有結構簡單、動力平穩、傳動比范圍寬、傳動效率高等特點。

ZSC減速機(立式軸裝)是三級傳動的漸開線圓柱齒輪減速器,主要用于礦山,冶金,水泥,建筑,化工,輕工,等各種機械設備的減速傳動,適合受結構限制采用立式安裝的工作場合,高速軸轉速不超過1500r/min,工作環境為-40℃—+40℃,可正反轉運行。

ZSC(A)減速機采用先進的技術和制造工藝,以精準的質量管理和完善的售后服務著稱。該減速機具有結構緊湊、重量輕、使用壽命長等優點,適用于各種工業生產領域。
掃一掃咨詢微信客服