
ZSY減速機是一種小型化、低噪聲的減速機。它具有高精度、高效率、低噪音和很長的壽命等優點。它在很多領域中都有成功應用和廣泛的市場。我們可以根據不同的使用需求和環境因素,選擇不同的型號來滿足我們的需求。

ZSY減速機是一種小型化、低噪聲的減速機,它具有較高的扭矩和較低的旋轉速度。它在許多領域中都有廣泛的應用,例如紡織、化工、輕工、食品、醫療器械等。我們可以根據不同的使用需求和環境因素,選擇不同的型號來滿足我們的需求。

ZDY減速機是一種可靠的、高品質的減速機,廣泛用于各種高精度、高負載和高速度的工作場合。在選擇和使用ZDY減速機時,考慮各種因素,進行定制,做好維護工作,才能更好地發揮其優異的性能和功能。

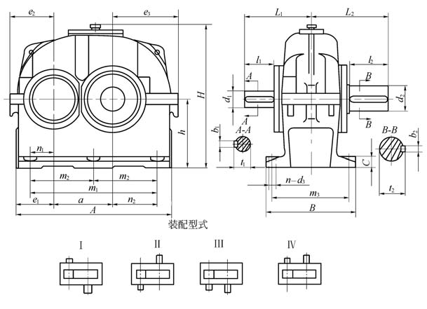
ZQA減速機是一種高精密的機械傳動產品,其工作原理是通過減少主機動力的轉速及提高扭矩,來達到所需的輸出轉速。該減速機采用斜齒輪和齒圈配合,具有傳動精度高、扭矩大、噪音小、壽命長、結構緊湊等特點,廣泛應用于各種工業設備的傳動系統。ZQA減速機承載能力(工作級別M5)輸入軸轉速(r/min)減速器型號輸出轉矩(N·m)公稱傳動比8.010.012.516.020.025.031.540.050.0高速

ZQA減速機是在ZQ型減速機的基礎上改型設計的。為了提高齒輪的承載能力,又便于替代ZQ型,即安裝尺寸和外形尺寸、輸入和輸出軸伸不變的情況下,只改變齒輪的材質和熱處理方式采用中硬齒面。并將ZQ型減速機的一級速比23.34改成25.02。

工業領域的驅動設備越來越重視高效、穩定、可靠的傳動方式,并要求設備具有長壽命、低噪音等特點,而ZJY減速機正是在這種需求的基礎上問世的。作為業內領先的生產商,ZJY減速機已成為各類機械設備中的不可或缺的一部分。

FDBY減速機是一種小型的減速器,由于其體積小、重量輕、結構緊湊,因此受到了廣泛的應用和贊譽。 FDBY 減速機的制造材料采用高品質的鋁合金和優質齒輪鋼,能夠極大地提高其硬度和耐用性。此外,它還具有扭矩輸出、回轉輸出、交叉軸輸出等多種輸出方式,確保了機器的實用性和穩定性。FDBY減速機工作條件1) 輸入軸最高轉速不大于1500r/min;2) 齒輪圓周速度最高為20m/s;3) 工作環境溫度

FZLY減速機是由減速箱、電機、機構及電器控制系統等組成。其主要原理是將高速的主傳動電機通過減速機降速,再經過皮帶、鏈輪等連接傳動裝置,將功率輸出到機械裝置上。減速機減速后,轉速降低,輸出功率增加,同時由于機械輸出的轉矩相對于電機輸出轉矩大,因此大大增加了機械傳動的能力。

ZFY減速機以高質量、高效率的特點深受業內人士的信任和青睞。它廣泛應用于各種機械傳動領域,成為機械傳動優選品牌。同時,ZFY減速機公司還注重全面的售后服務,讓用戶更加輕松使用。

TPBN模塊化法蘭型行星齒輪減速機是適用于各種工業機械的一種高效、可靠的傳動設備,具有結構緊湊、負載分配均勻、噪聲低、壽命長等優點。

TPBN模塊化錐齒輪行星齒輪減速機以其出色的技術優勢脫穎而出。在產品結構方面,該減速機采用模塊化設計,使得其具有更大的通用性,同時搭載了行星齒輪驅動系統,可以有效提高傳動效率。在工作中,該減速機的隔離絕緣結構和高可靠性的軸承設計也為用戶帶來了穩定可靠的使用體驗。

TPBN模塊化錐齒輪斜齒輪行星齒輪減速機可有效降低輸入和輸出軸的轉速,它的傳動效率高,輸出轉矩大,減速比范圍廣、核心部件采用模塊化設計,面對不同的行業需求和應用特點,可以自由組合使用,具有良好的人機工程界面和產品可塑性。

TPBS模塊化斜齒輪行星齒輪減速機是一種通過多種齒輪的組合來實現高速減速的機械傳動裝置。該裝置通過優化齒輪形式與結構設計,成功實現了高承載、高精度、高效率等多種性能特點。它是目前工業制造中不可或缺的一種重要的傳動裝置。

TPBN模塊化同軸式行星齒輪減速機由同軸式行星齒輪減速機和模塊化設計的結構組成,是一種高效、可靠、穩定的現代減速機,具有獨特的優點和特點。

TJZ行星齒輪減速機不僅具有高傳動效率、扭矩穩定、緊湊結構、壽命長等眾多特點與優勢,而且其應用范圍也越來越廣泛,成為現代工業解決方案中不可或缺的組成部分。有著廣闊的市場前景與發展空間,值得投資者和制造商的深入研究與關注。

TJZ專用行星齒輪減速機是一種廣泛應用于不同類型機械傳動的專業齒輪傳動裝置,其結構緊湊、傳動效率高、扭矩穩定、噪音低、壽命長,是現代機械制造業中不可或缺的核心元器件之一。

TXNS專用行星齒輪減速機是一種高精度,高效率的運動控制設備,廣泛應用于各種行業領域。其卓越的設計和生產技術使之能夠靈活應變各種應用場景,并提供超卓性能,耐用性和可靠性。

TXJSR專用行星齒輪減速機作為各種工業自動化設備不可或缺的核心元件,能夠提高設備運行的精度和效率,降低設備運行的噪音和振動,可謂是高效、精準、穩定的動力解決方案。

TXJSR專用行星齒輪減速機是以行星輪與內嚙合的星輪為主要傳動機構的減速裝置,具有高效、精準、穩定、靜音等優點,廣泛應用于機床、冶金、印刷、包裝、食品、紡織、制藥等領域。

許多企業或個人在購買減速機時,發現四大系列減速機大多沒有現貨。這是因為這些減速機在制造和銷售過程中,需要考慮到對稱性、剛度、減速比以及噪聲等因素。因此,這些系列減速機大多需要按照特殊要求進行定制,以滿足用戶的特殊需求。這就限制了生產和供應量,也使得現貨的供應相對較少。
掃一掃咨詢微信客服